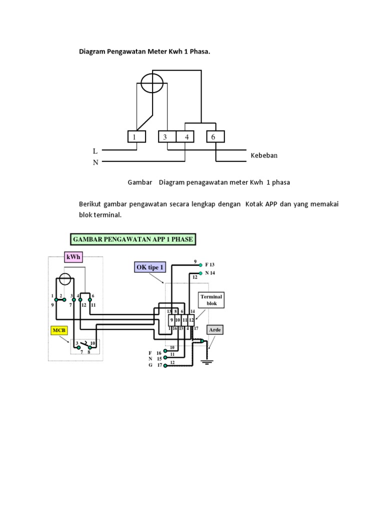
Wiring Diagram Kwh Meter 1 Fasa / Right diagram to guarantee sufficient heat dissipation and.

Wiring Diagram Kwh Meter 1 Fasa / Wiring app 1 fasa by topan_oping.

Random Posts

  • Manglier Tree Louisiana
  • Wedding Invitations Lagna Patrika Background Hd Marathi
  • Tere Jaisa Yaar Kahan Mp3 Download Rahul Jain
  • Wallpaper Aesthetic Ml Khufra
  • Divya Name Meaning In Tamil
  • Flamsteed Ring Build
  • Actress Indhuja Hd Images
  • Lord Shiva Telugu Bajana Songs Lyrics
  • Avengers Endgame Morgan Stark
  • Uppena Telugu Songs Download Ringtone
  • Har Har Mahadev Hd Picture
  • Anne Whitfield Husband
  • Tdp Wallpaper Sr Ntr Photos
  • Maanu Name Images
  • Balika Vadhu Episode 1201
  • Popular Posts

  • Logo Listrik Prabayar Png
  • Azhagiya Tamil Magan Songs Download
  • Tere Jaisa Yaar Kahan Song Amitabh Bachchan
  • Mp3 Converter Apk Download Online
  • Kavita Marathi Lagna Patrika Format
  • Zahida Parveen Asp
  • Devadarshini Daughter Niyati
  • The Pirate Caribbean Hunt Mod Apk Unlimited Money
  • Kajol Kuch Kuch Hota Hai Outfit
  • Master Sad Pic
  • Who Plays Sheldon's Twin Sister On Big Bang
  • Milia Pada Hidung
  • Shortest Actress
  • Celebrity Hunter Wellies
  • Azhagiya Laila Song Download Starmusiq